Hộp số tay điện tử của Volkswagen là một loại Hộp số tay tự động. Hộp số tay tự động (AMT), còn được gọi là hộp số tay không ly hợp, là một loại hệ thống truyền động ô tô dựa trên thiết kế cơ khí và cấu tạo bên trong của hộp số tay thông thường và sử dụng tự động hóa để điều khiển ly hợp và/hoặc chuyển số.
Trong hộp số sàn điện tử, các chuyển động của cần số được ghi nhận bởi một chiết áp và bốn công tắc siêu nhỏ và được báo hiệu đến bộ phận điều khiển. Việc chuyển số thực sự được bắt đầu bởi bộ phận điều khiển hộp số và được thực hiện thông qua van thủy lực và cần gạt bộ chọn.

Cơ chế hộp số tay điện tử dựa trên hộp số tay 5 cấp được trang bị trên VW Polo và Lupo. Hộp số sàn đã được làm nhẹ hơn và sửa đổi để phù hợp với việc sử dụng trên Lupo 3 L.
Khối lượng hộp số đã được giảm như sau:
- Các lỗ mở được đưa vào trong bánh xe vương miện
- Các trục đầu vào và đầu ra được khoan rỗng
- Bánh răng số thứ 5 được thiết kế như một bánh răng hình chóp
- Các bánh răng còn lại đã được làm nhẹ hơn bằng cách gia công các hốc ở mặt bên
- Bằng cách di chuyển vít nạp dầu, dung tích dầu đã giảm 0,2 lít nhưng mức dầu vẫn như trước.

Chuyển số trong hộp số tay (sàn)
Chuyển số của hộp số sàn tiêu chuẩn được bắt đầu thông qua cần số và được chuyển đến trục bộ chọn trên hộp số bằng dây cáp và đòn bẩy đảo chiều.
Chuyển động ngang của cần số (mũi tên màu xanh) được truyền đến trục bộ chọn bằng dây cáp và cơ cấu đòn bẩy. Điều này làm cho trục bộ chọn quay (chuyển động chạy không tải).

Chuyển động tiến và lùi của cần số (mũi tên đỏ) được chuyển thành tiến và lùi của trục bộ chọn (sang số).
- Trong hộp số sàn điện tử, tác động cơ học bên ngoài được thực hiện bằng cần chọn.
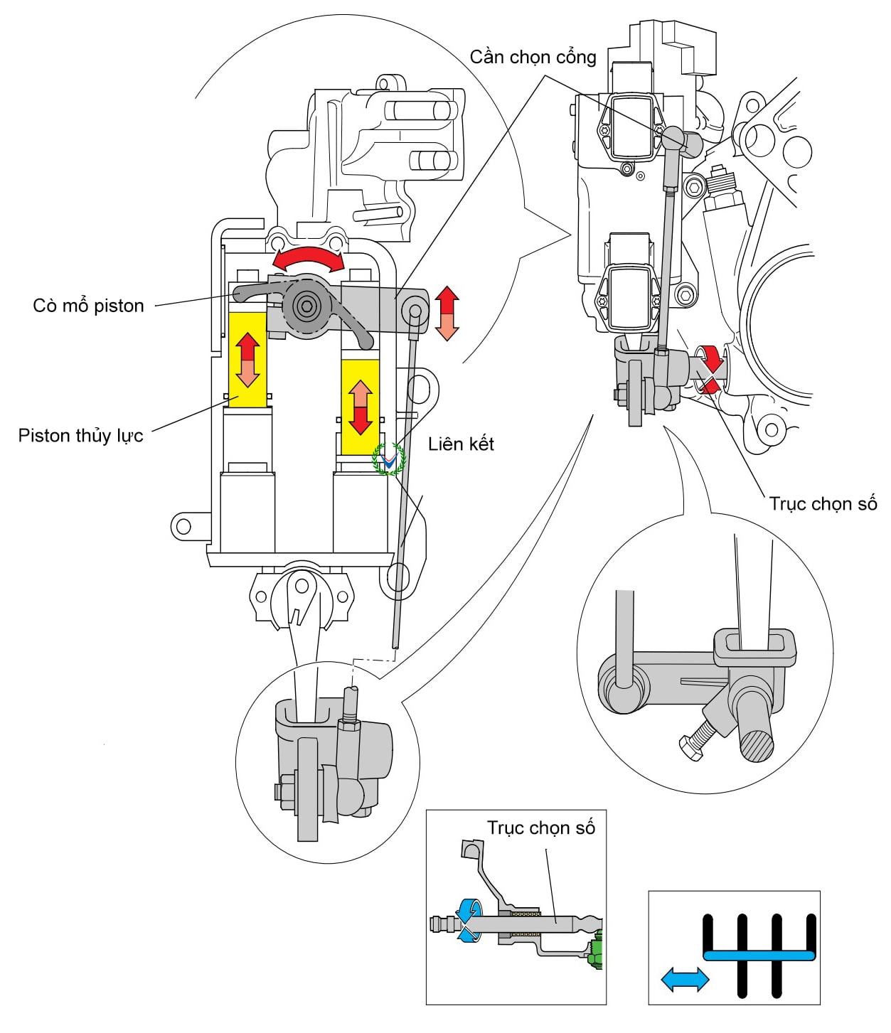
Cần chọn số
Cần chọn số chuyển các thao tác chuyển số được khởi sướng bởi bộ điều khiển đến trục trục chọn số trên hộp số sàn. Các pít-tông thủy lực trong vỏ hộp cần chọn số được kích hoạt bằng chất lỏng thủy lực thông qua van điện từ. Pít-tông tác dụng áp lực lên cò mổ piston có gắn cần chọn cổng. Cần chọn cổng gắn với một liên kết chuyển chuyển động đến một đòn bẩy nằm trên trục bộ chọn. Điều này làm cho trục bộ chọn quay.

Khi một số được chọn, hai pít-tông bổ sung trong vỏ cần bộ chọn được kích hoạt bằng áp suất dầu thông qua van điện từ.
Một pít-tông tác dụng áp suất lên một pít-tông có đầu cần gắn bộ chọn bánh số. Trục chọn số được di chuyển về phía trước hoặc phía sau.

Discussion about this post